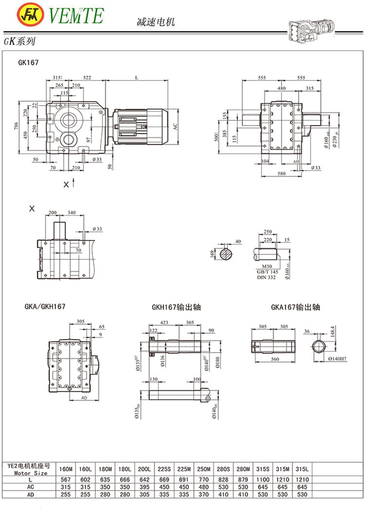
這是TK168減速機,TKA168減速器,TKAF168減速箱以及TKF168減速電機具體的型號以及對應的尺寸圖紙。而這款TK168系列減速機對應的大眾的型號為K167減速電機。
| TK168-Y11-4P | TKF168-Y11-4P | TKAF168-Y11-4P |
| TK168-Y18.5-4P | TKF168-Y18.5-4P | TKAF168-Y18.5-4P |
| TK168-Y22-4P | TKF168-Y22-4P | TKAF168-Y22-4P |
| TK168-Y30-4P | TKA168-YEJ110-4P | TKA168-YEJ132-4P |
| TKF168-Y160-4P | TKA168-YEJ11-4P | TKA168-YEJ160-4P |
| TKF168-Y200-4P | TKAF168-Y55-4P | TKA168-YEJ200-4P |
| TKAF168-Y75-4P | TKAF168-Y90-4P | TKF168-Y90-4P |
| TK168-Y75-4P | TKAF168-Y110-4P | TKF168-Y110-4P |
| TK168-Y90-4P | TKF168-Y45-4P | TKF168-Y132-4P |
| TK168-Y110-4P | TKF168-Y55-4P | TK168-Y37-4P |
| TK168-Y132-4P | TKAF168-Y160-4P | TK168-Y45-4P |
| TK168-Y160-4P | TKAF168-Y200-4P | TK168-Y55-4P |
| TK168-Y200-4P | TKAF168-Y132-4P | TKAF168-Y45-4P |
| TKA168-YEJ37-4P | TKAF168-Y30-4P | TKA168-YEJ75-4P |
| TKA168-YEJ45-4P | TKAF168-Y37-4P | TKA168-YEJ90-4P |
| TKA168-YEJ18.5-4P | TKF168-Y75-4P | TKF168-Y30-4P |
| TKA168-YEJ22-4P | TKA168-YEJ55-4P | TKF168-Y37-4P |
下一篇:TK188系列傘齒輪直角減速機上一篇:TK158系列齒輪減速機型號
此文關鍵字:TK168系列傘齒輪減速機型號
















